Model Type 6
Single Temperature Air Metering Commercial Shower Valve
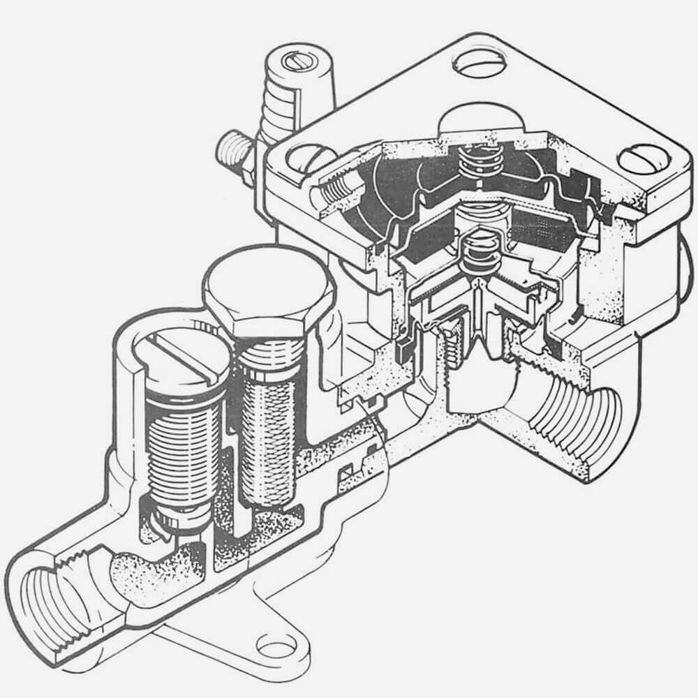
The Type 6 single temperature air metering commercial shower valve can be remotely located up to 10 feet from the operating push button. It includes a non-hold open feature, and timing is adjustable from 5 to 60 seconds.
With less than 5 lbs. of pressure needed to activate the vandal-resistant push button, this valve is ideal for ADA compliance and for commercial shower areas where a wide range of age groups must be accommodated.
When specified, Type 6 commercial shower valves should be backed up with a thermostatic controller at the water source.
Downloads
Specifications
| Product Type | Valve |
| Brand | Shower-Ware® |
| Product Features | Single Temperature |
| Institutional Applications | Hospital & Treatment Centers, Educational Building, Train Station & Airports, Other Institutional Buildings |
| Commercial Applications | Stadium & Arena |
| Park and Recreation Applications | Yes |
| Compliance | Federal Public Law 111-380 |





